Товар в наличии
Виды креплений
Обзор основных характеристик
Особливості електродвигуна АІР71А4 (IM B34):
| Основні технічні характеристики | |
| Потужність | 0.55кВт |
| Частота обертання ротора | 1500 об/хв |
| Напруга мережі | 380В (220/380) |
| Номінальний струм | 1,75 А |
| Частота мережі | 50 Гц |
| Число полюсів | 4 |
| Ступінь захисту | IP55 |
| Ізоляція класу нагрівостійкості | F(155°C) |
| Кліматичне виконання | У2 |
| Режим роботи | S1 (тривалий) |
| Спосіб монтажу | IM В34 (лапи+малий фланець) |
| Маса | 8,75 кг |
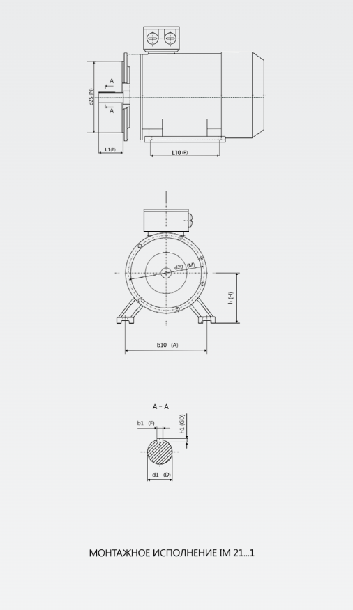
| Настановні і приєднувальні розміри |
||
| Висота осі обертання | h, мм | 71 |
| Діаметр вала | d1, мм | 19 |
| Довжина валу | L1, мм | 35 |
| Відстань між кріпильними отворами на лапі | L10, мм | 90 |
| Відстань між кріпильними отворами між лапами | b10, мм | 112 |
| Міжосьова відстань між кріпленнями на фланці | d20, мм | 85 |
| Розмір замка на фланці | d25, мм | 70 |
| Різьба | М | М5 |
| Висота шпонки | h1, мм | 5 |
| Ширина шпонки | b1, мм | 5 |
Якщо ви хочете купити електродвигун 0.55кВт 1500 об хв ціна його буде доступною. Дізнайтеся, що означає маркування електромотора АІР71 А2:

ІМ1081 (В3) - двигун АИР71B2 з лапами (стандартне виконання). Завдяки лапам можна провести монтаж двигуна паралельно до поверхні для кріплення.
ІМ2081 (В35) - електромотор АИР71В2 з лапами і великим фланцем (комбінований варіант). Можна встановити пристрій і паралельно, і перпендикулярно до поверхні для кріплення.
ІМ3081 (В5) - електродвигун АИР71B2 з великим фланцем. За рахунок фланця можна розмістити двигун перпендикулярно до поверхні для кріплення.
ІМ2181 (В34) - електромотор АИР 71 В2 з лапами та малим фланцем (комбінований варіант). Можна встановити пристрій і паралельно, і перпендикулярно до поверхні для кріплення.
ІМ3681 (В14) - електродвигун АИР71 В2 з малим фланцем. Можна встановити пристрій і паралельно, і перпендикулярно до поверхні для кріплення.
Це 3 основні монтажні виконання електромотора АИР 71 B2. Завдяки їм пристрій вважається універсальним - його можна застосовувати в різних областях. Подумайте, який варіант підійде вам більше, перш ніж електродвигун 380 вольт 3000 оборотів купити.
До цього електродвигуна ви маєте можливість придбати запчастини.
Отзывы
Отзывов пока нет
Написать отзыв
Пожалуйста оставьте ваш отзыв.