Електродвигун АИР BRAKE 80В4 1,5 кВт 1500 об/хв з електромагнітним гальмом ІМ В34 (лапи+малий фланець)

12750 грн
Скидки от цены конкурента

Товар в наличии

Код товара: 5273

Виды креплений

Обзор основных характеристик

Електродвигун АИР BRAKE 80В4 1,5 кВт 1500 об/хв з електромагнітним гальмом ІМ В34 (лапи+малий фланець)

Характеристики двигуна: АІР BRAKE 80В4 (2181)

Основні технічні характеристики
Потужність 1,5 кВт
Частота обертання ротора 1500 об/хв
Напруга мережі 220В (220/380)
Сила струму 6,39/3,70 А
Частота мережі 50 Гц
Число полюсів 4
Ступінь захисту IP55
Ізоляція класу нагрівостійкості F(155°C)
Кліматичне виконання У2
Режим роботи S1 (тривалий)
Спосіб монтажу IM B34 (лапа + малий фланець)
вага 22,2 кг

 

 

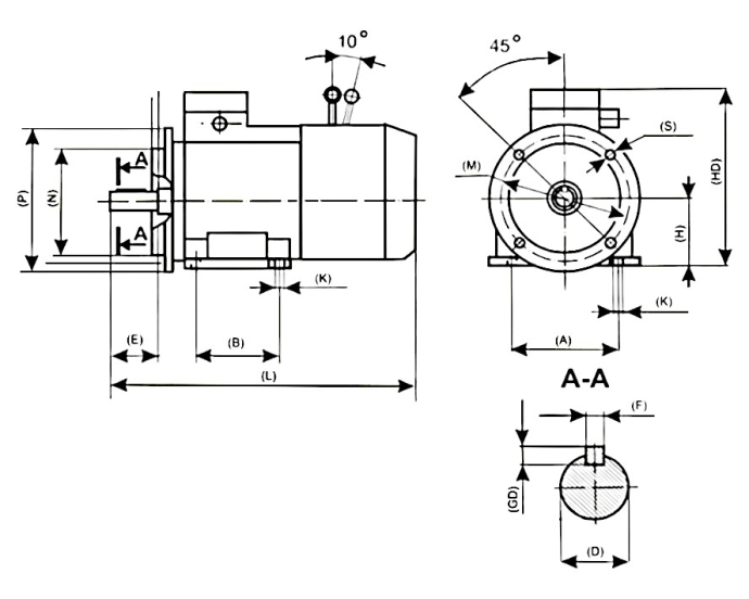
Монтажні та приєднувальні розміри
Висота осі обертання H, мм 80
Діаметр валу D, мм 19
Довжина валу E, мм 40
Діаметр фланцю P, мм 120
Діаметр замку фланцю N, мм 80
Міжосьова відстань між кріпленнями на фланці M, мм 100
Відстань між кріпленням по лапі B, мм 100
Відстань між кріпленням між лапами A, мм 125
Висота шпонки GD, мм  
Ширина шпонки F, мм  

 

Електродвигун АИР BRAKE 80В4 1,5 кВт 1500 об/хв з електромагнітним гальмом ІМ В34 (лапи+малий фланець)

Отзывы

Отзывов пока нет

Написать отзыв

Пожалуйста оставьте ваш отзыв.
После модерации он будет опубликован на сайте
вверх