Товар у наявності
Види кріплення
Огляд основних характеристик
Особливості електродвигуна АІР71В6 (IM B34):
| Основні технічні характеристики | |
| Потужність | 0.55кВт |
| Частота обертання ротора | 1000 об/хв |
| Напруга мережі | 380В (220/380) |
| Номінальний струм | 1,80 А |
| Частота мережі | 50 Гц |
| Число полюсів | 6 |
| Ступінь захисту | IP55 |
| Ізоляція класу нагрівостійкості | F(155°C) |
| Кліматичне виконання | У2 |
| Режим роботи | S1 (тривалий) |
| Спосіб монтажу | IM В34 (лапи+малий фланець) |
| Маса | 10,00 кг |
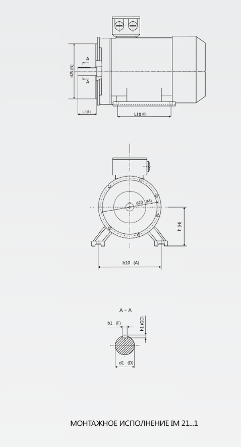
| Настановні і приєднувальні розміри |
||
| Висота осі обертання | h, мм | 71 |
| Діаметр вала | d1, мм | 19 |
| Довжина валу | L1, мм | 35 |
| Відстань між кріпильними отворами на лапі | L10, мм | 90 |
| Відстань між кріпильними отворами між лапами | b10, мм | 112 |
| Міжосьова відстань між кріпленнями на фланці | d20, мм | 85 |
| Розмір замка на фланці | d25, мм | 70 |
| Різьба | М | М5 |
| Висота шпонки | h1, мм | 6 |
| Ширина шпонки | b1, мм | 6 |
Якщо ви хочете купити електродвигун 0.55кВт 1000 об хв ціна його буде доступною. Дізнайтеся, що означає маркування електромотора АІР71 B6:

ІМ1081 (В3) - двигун АИР71B6 з лапами (стандартне виконання). Завдяки лапам можна провести монтаж двигуна паралельно до поверхні для кріплення.
ІМ2081 (В35) - електромотор АИР71B6 з лапами і великим фланцем (комбінований варіант). Можна встановити пристрій і паралельно, і перпендикулярно до поверхні для кріплення.
ІМ3081 (В5) - електродвигун АИР71B6 з великим фланцем. За рахунок фланця можна розмістити двигун перпендикулярно до поверхні для кріплення.
ІМ2181 (В34) - електромотор АИР 71 B6 з лапами та малим фланцем (комбінований варіант). Можна встановити пристрій і паралельно, і перпендикулярно до поверхні для кріплення.
ІМ3681 (В14) - електродвигун АИР71 B6 з малим фланцем. Можна встановити пристрій і паралельно, і перпендикулярно до поверхні для кріплення.
Це 3 основні монтажні виконання електромотора АИР 71 B6. Завдяки їм пристрій вважається універсальним - його можна застосовувати в різних областях. Подумайте, який варіант підійде вам більше, перш ніж електродвигун 380 вольт 1000 оборотів купити.
До цього електродвигуна ви маєте можливість придбати запчастини.
Відгуки
Відгуків поки що немає
Написати відгук
Будь ласка залиште ваш відгук.